0
00000| Kod towaru | 18311 ABS |
| Producent | A.B.S. |
| Opis | tarcza hamulcowa |
| Średnica zewnętrzna [mm] | 276 |
| Grubość tarczy hamulcowej [mm] | 10 |
| Minimalna grubość [mm] | 8 |
| Wysokość [mm] | 31,7 |
| Felga, liczba otworów | 5 |
| Typ tarczy hamulcowej | pełny |
| Średnica otworu centrującego [mm] | 64 |
| Ø rozmieszczenia otworów [mm] | 114,3 |
| Powierzchnia | pokryty |
| Średnica piasty [mm] | 155 |
00
0000
00000| Oś tylna | |
| Kod towaru | ADH243123 BLP |
| Producent | BLUE PRINT |
| Opis | tarcza hamulcowa |
| Grubość tarczy hamulcowej [mm] | 10 |
| Felga, liczba otworów | 5 |
| Liczba otworów do mocowania | 4 |
| Grubość [mm] | 32 |
| Średnica zewnętrzna [mm] | 276 |
| Ø rozmieszczenia otworów [mm] | 114 |
| Powierzchnia | pokryty |
| Typ tarczy hamulcowej | pełny |
| Strona zabudowy | Oś tylna |
| Minimalna grubość [mm] | 8 |
| Średnica otworu centrującego [mm] | 64 |
| uwzględnić informację serwisową | |
00
00000
00000| Oś tylna | |
| Kod towaru | 108479 FEB |
| Producent | FEBI BILSTEIN |
| Opis | tarcza hamulcowa42510TV0E00 |
| Grubość tarczy hamulcowej [mm] | 10 |
| Felga, liczba otworów | 5 |
| Liczba otworów do mocowania | 4 |
| Grubość [mm] | 31,5 |
| Średnica zewnętrzna [mm] | 276 |
| Ø rozmieszczenia otworów [mm] | 114,3 |
| Powierzchnia | pokryty |
| Typ tarczy hamulcowej | pełny |
| Strona zabudowy | Oś tylna |
| Minimalna grubość [mm] | 8 |
| Średnica otworu centrującego [mm] | 64 |
| uwzględnić informację serwisową | |
00
000
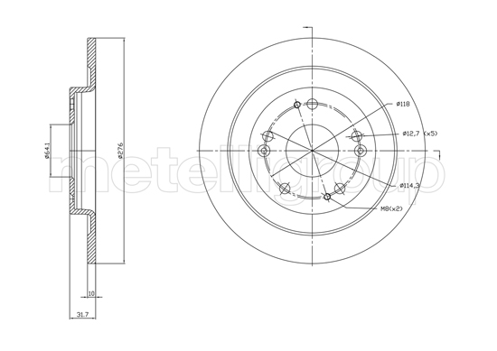
00000| Kod towaru | 23-1391C MET |
| Producent | METELLI |
| Opis | tarcza hamulcowa |
| Oznaczenie kontrolne | ECE-R90 |
| Wysokość [mm] | 31,7 |
| Typ tarczy hamulcowej | pełny |
| Grubość tarczy hamulcowej [mm] | 10,0 |
| Średnica zewnętrzna [mm] | 276,0 |
| Liczba otworów | 5 |
| Średnica otworu centrującego [mm] | 64,1 |
| Powierzchnia | lakierowany |
0
0000
00000| Oś tylna | |
| Kod towaru | 33 10 6589 |
| Producent | SWAG |
| Opis | tarcza hamulcowa |
| Grubość tarczy hamulcowej [mm] | 10 |
| Felga, liczba otworów | 5 |
| Liczba otworów do mocowania | 4 |
| Grubość [mm] | 31,5 |
| Średnica zewnętrzna [mm] | 276 |
| Ø rozmieszczenia otworów [mm] | 114,3 |
| Powierzchnia | pokryty |
| Typ tarczy hamulcowej | pełny |
| Strona zabudowy | Oś tylna |
| Minimalna grubość [mm] | 8 |
| Średnica otworu centrującego [mm] | 64 |
00
00000
00000| Kod towaru | DF6526 |
| Producent | TRW |
| Opis | tarcza hamulcowa |
| Typ tarczy hamulcowej | pełny |
| Liczba otworów | 5 |
| Średnica zewnętrzna [mm] | 276 |
| Średnica otworu centrującego [mm] | 64,1 |
| Wysokość [mm] | 31,7 |
| Grubość tarczy hamulcowej [mm] | 10 |
| Średnica otworu 2 [mm] | 6,7 |
