0
0000
00000| Oś przednia | |
| Kod towaru | 33 10 6910 |
| Producent | SWAG |
| Opis | tarcza hamulcowa |
| Grubość tarczy hamulcowej [mm] | 21 |
| Felga, liczba otworów | 5 |
| Liczba otworów do mocowania | 4 |
| Grubość [mm] | 47 |
| Średnica zewnętrzna [mm] | 262 |
| Ø rozmieszczenia otworów [mm] | 114,3 |
| Powierzchnia | pokryty |
| Typ tarczy hamulcowej | z wentylacją wewnętrzną |
| Strona zabudowy | Oś przednia |
| Minimalna grubość [mm] | 19 |
| Średnica otworu centrującego [mm] | 64 |
0
00000| Kod towaru | 17690 ABS |
| Producent | A.B.S. |
| Opis | tarcza hamulcowa |
| Średnica zewnętrzna [mm] | 262 |
| Grubość tarczy hamulcowej [mm] | 21 |
| Minimalna grubość [mm] | 19 |
| Wysokość [mm] | 47,1 |
| Felga, liczba otworów | 5 |
| Typ tarczy hamulcowej | wentylowany |
| Średnica otworu centrującego [mm] | 64,2 |
| Ø rozmieszczenia otworów [mm] | 114,3 |
| Powierzchnia | pokryty |
| Średnica piasty [mm] | 152 |
00
000
00000| Oś przednia | |
| Kod towaru | 60-04-437C ASH |
| Producent | ASHIKA |
| Opis | tarcza hamulcowa |
| Strona zabudowy | Oś przednia |
| Ø rozmieszczenia otworów [mm] | 64 |
| Wysokość [mm] | 47 |
| Średnica zewnętrzna [mm] | 262 |
| Grubość tarczy hamulcowej [mm] | 21 |
| Minimalna grubość [mm] | 19 |
| Liczba otworów | 5 |
| Typ tarczy hamulcowej | wentylowany |
| Powierzchnia | lakierowany |
| Moment dokręcenia [Nm] | 108 |
| dla numeru OE | 45251SNA010 |
00
0000
00000| Oś przednia | |
| Kod towaru | ADH24390 BLP |
| Producent | BLUE PRINT |
| Opis | tarcza hamulcowa |
| Grubość tarczy hamulcowej [mm] | 21 |
| Felga, liczba otworów | 5 |
| Liczba otworów do mocowania | 4 |
| Grubość [mm] | 47 |
| Średnica zewnętrzna [mm] | 262 |
| Ø rozmieszczenia otworów [mm] | 114 |
| Powierzchnia | pokryty |
| Typ tarczy hamulcowej | z wentylacją wewnętrzną |
| Strona zabudowy | Oś przednia |
| Minimalna grubość [mm] | 19 |
| Średnica otworu centrującego [mm] | 64 |
| uwzględnić informację serwisową | |
0
0
00000| Kod towaru | 800-1082C CIF |
| Producent | CIFAM |
| Opis | tarcza hamulcowa |
| Oznaczenie kontrolne | ECE-R90 |
| Wysokość [mm] | 47,1 |
| Typ tarczy hamulcowej | wentylowany |
| Grubość tarczy hamulcowej [mm] | 21,0 |
| Średnica zewnętrzna [mm] | 261,9 |
| Liczba otworów | 5 |
| Średnica otworu centrującego [mm] | 64,2 |
| Powierzchnia | lakierowany |
00
00000
00000| Oś przednia | |
| Kod towaru | 108532 FEB |
| Producent | FEBI BILSTEIN |
| Opis | tarcza hamulcowa(262x21mm) Honda Civic 1,3 Hybrid 06- |
| Grubość tarczy hamulcowej [mm] | 21 |
| Felga, liczba otworów | 5 |
| Liczba otworów do mocowania | 4 |
| Grubość [mm] | 47 |
| Średnica zewnętrzna [mm] | 262 |
| Ø rozmieszczenia otworów [mm] | 114,3 |
| Powierzchnia | pokryty |
| Typ tarczy hamulcowej | z wentylacją wewnętrzną |
| Strona zabudowy | Oś przednia |
| Minimalna grubość [mm] | 19 |
| Średnica otworu centrującego [mm] | 64 |
| uwzględnić informację serwisową | |
00
000
00000| Kod towaru | 8DD 355 115-341 |
| Producent | HELLA |
| Opis | tarcza hamulcowa |
| Typ tarczy hamulcowej | z wentylacją wewnętrzną |
| Średnica zewnętrzna [mm] | 262 |
| Grubość tarczy hamulcowej [mm] | 21 |
| Wysokość [mm] | 47,1 |
| Minimalna grubość [mm] | 19 |
| Powierzchnia | pokryty |
| Średnica wewnętrzna [mm] | 141,2 |
| Ø rozmieszczenia otworów [mm] | 114,3 |
| Średnica otworu centrującego [mm] | 64,2 |
| Wzór otworów/liczba otworów | 05/09 |
| Średnica otworu szpilki koła [mm] | 12,8 |
| Informacja uzupełniająca | bez piasty koła |
| Informacja uzupełniająca | bez łożyska koła |
| Informacja uzupełniająca | bez sworznia mocującego koła |
| Ciężar [kg] | 5,2 |
| Montaż/demontaż koniecznie do wykonania przez fachowców! |
00
000
00000| Oś przednia | |
| Kod towaru | 103072 |
| Producent | KAMOKA |
| Opis | tarcza hamulcowa |
| Strona zabudowy | Oś przednia |
| Typ tarczy hamulcowej | wentylowany |
| Grubość tarczy hamulcowej [mm] | 21 |
| Ø rozmieszczenia otworów [mm] | 114 |
| Liczba otworów | 5 |
| Informacja uzupełniająca | ze śrubami |
| Felga, liczba otworów | 5 |
| Wysokość [mm] | 47 |
| Średnica otworu centrującego [mm] | 64 |
| Powierzchnia | pokryty |
| Średnica zewnętrzna [mm] | 262 |
| Liczba otworów do mocowania | 4 |
00
000
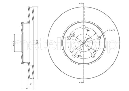
00000| Kod towaru | 23-1082C MET |
| Producent | METELLI |
| Opis | tarcza hamulcowa |
| Oznaczenie kontrolne | ECE-R90 |
| Wysokość [mm] | 47,1 |
| Typ tarczy hamulcowej | wentylowany |
| Grubość tarczy hamulcowej [mm] | 21,0 |
| Średnica zewnętrzna [mm] | 261,9 |
| Liczba otworów | 5 |
| Średnica otworu centrującego [mm] | 64,2 |
| Powierzchnia | lakierowany |
0000
00000| Oś przednia | |
| Kod towaru | BS-8650C OPT |
| Producent | OPTIMAL |
| Opis | tarcza hamulcowa |
| Strona zabudowy | Oś przednia |
| Typ tarczy hamulcowej | wentylowany |
| Grubość tarczy hamulcowej [mm] | 21 |
| Średnica zewnętrzna [mm] | 262 |
| Wysokość [mm] | 47 |
| Średnica otworu centrującego [mm] | 64 |
| Powierzchnia | pokryty |
| Informacja uzupełniająca | ze śrubami |
| Wzór otworów/liczba otworów | 5/9 |
0
0000
00000| Kod towaru | 92175800 TXT |
| Producent | TEXTAR |
| Opis | tarcza hamulcowa |
| Typ tarczy hamulcowej | z wentylacją wewnętrzną |
| Średnica zewnętrzna [mm] | 262 |
| Grubość tarczy hamulcowej [mm] | 21 |
| Wysokość [mm] | 47,1 |
| Minimalna grubość [mm] | 19 |
| Średnica wewnętrzna [mm] | 141,2 |
| Ø rozmieszczenia otworów [mm] | 114,3 |
| Średnica otworu centrującego [mm] | 64,2 |
| Wzór otworów/liczba otworów | 05/09 |
| Średnica otworu szpilki koła [mm] | 12,8 |
| Informacja uzupełniająca | bez piasty koła |
| Informacja uzupełniająca | bez łożyska koła |
| Informacja uzupełniająca | bez sworznia mocującego koła |
| Długość opakowania [cm] | 27,8 |
| Szerokość opakowania [cm] | 27,8 |
| Wysokość opakowania [cm] | 12,2 |
| Ciężar [kg] | 5,2 |
0
0000
00000| Kod towaru | 92175803 TXT |
| Producent | TEXTAR |
| Opis | tarcza hamulcowa |
| Typ tarczy hamulcowej | z wentylacją wewnętrzną |
| Średnica zewnętrzna [mm] | 262 |
| Grubość tarczy hamulcowej [mm] | 21 |
| Wysokość [mm] | 47,1 |
| Minimalna grubość [mm] | 19 |
| Powierzchnia | pokryty |
| Średnica wewnętrzna [mm] | 141,2 |
| Ø rozmieszczenia otworów [mm] | 114,3 |
| Średnica otworu centrującego [mm] | 64,2 |
| Wzór otworów/liczba otworów | 05/09 |
| Średnica otworu szpilki koła [mm] | 12,8 |
| Informacja uzupełniająca | bez piasty koła |
| Informacja uzupełniająca | bez łożyska koła |
| Informacja uzupełniająca | bez sworznia mocującego koła |
| Długość opakowania [cm] | 27,8 |
| Szerokość opakowania [cm] | 27,8 |
| Wysokość opakowania [cm] | 12,2 |
| Ciężar [kg] | 5,2 |
