
000
0000
00010| Oś tylna strona lewa, Oś tylna strona prawa | |
| Kod towaru | KF159.63U |
| Producent | SNR |
| Opis | tarcza hamulcowa |
| Grubość tarczy hamulcowej [mm] | 9 |
| Minimalna grubość [mm] | 7 |
| Szerokość 1 [mm] | 69 |
| Nr artykułu zalecanego narzędzia specjalnego | Clas : OM4217 |
| średnica zewnętrzna [mm] | 244 |
| Nr artykułu zalecanego narzędzia specjalnego | Clas : OM8154 |
| Typ tarczy hamulcowej | pełny |
| Strona zabudowy | Oś tylna strona prawa |
| Strona zabudowy | Oś tylna strona lewa |
0
00000| Kod towaru | 18643C ABS |
| Producent | A.B.S. |
| Opis | tarcza hamulcowa1623835180 |
| średnica zewnętrzna [mm] | 244 |
| Grubość tarczy hamulcowej [mm] | 9 |
| Minimalna grubość [mm] | 7 |
| Wysokość [mm] | 69,3 |
| Felga, liczba otworów | 4 |
| Typ tarczy hamulcowej | pełny |
| Średnica otworu centrującego [mm] | 56 |
| Ø rozmieszczenia otworów [mm] | 108 |
| Informacja uzupełniająca | z pierścieniem nadajnika impulsów ABS |
| Powierzchnia | pokryty |
| średnica piasty [mm] | 149 |
00
0000
00000| Oś tylna | |
| Kod towaru | ADP154354 BLP |
| Producent | BLUE PRINT |
| Opis | tarcza hamulcowa |
| Grubość tarczy hamulcowej [mm] | 9 |
| Felga, liczba otworów | 4 |
| Grubość [mm] | 69 |
| średnica zewnętrzna [mm] | 244 |
| Ø rozmieszczenia otworów [mm] | 108 |
| Rodzaj czujnika | Czujnik impulsów |
| Powierzchnia | naoliwione |
| Typ tarczy hamulcowej | pełny |
| Informacja uzupełniająca | z łożyskiem koła |
| Strona zabudowy | Oś tylna |
| Minimalna grubość [mm] | 7 |
| Średnica otworu centrującego [mm] | 56 |
| Ciężar [kg] | 5,05 |
| Informacja uzupełniająca | z pierścieniem nadajnika impulsów ABS |
| uwzględnić informację serwisową | |
00
00000
00000| Oś tylna | |
| Kod towaru | 106351 FEB |
| Producent | FEBI BILSTEIN |
| Opis | tarcza hamulcowa1623835180 |
| Grubość tarczy hamulcowej [mm] | 9 |
| Felga, liczba otworów | 4 |
| Grubość [mm] | 69,2 |
| średnica zewnętrzna [mm] | 244 |
| Ø rozmieszczenia otworów [mm] | 108 |
| Rodzaj czujnika | Czujnik impulsów |
| Powierzchnia | naoliwione |
| Typ tarczy hamulcowej | pełny |
| Informacja uzupełniająca | z łożyskiem koła |
| Strona zabudowy | Oś tylna |
| Minimalna grubość [mm] | 7 |
| Średnica otworu centrującego [mm] | 56 |
| Ciężar [kg] | 5,05 |
| Informacja uzupełniająca | z pierścieniem nadajnika impulsów ABS |
| uwzględnić informację serwisową | |

0
00000| Kod towaru | 40H9135K-JPN |
| Producent | JPN |
| Opis | tarcza hamulcowa |
| Typ tarczy hamulcowej | pełny |
| Informacja uzupełniająca | z łożyskiem koła |
| Felga, liczba otworów | 4 |
| Wysokość [mm] | 69,3 |
| Grubość tarczy hamulcowej [mm] | 9 |
| średnica zewnętrzna [mm] | 244 |
| średnica piasty [mm] | 149 |
00
000
00000| Oś tylna | |
| Kod towaru | 103387 |
| Producent | KAMOKA |
| Opis | tarcza hamulcowa |
| Strona zabudowy | Oś tylna |
| Typ tarczy hamulcowej | pełny |
| Grubość tarczy hamulcowej [mm] | 9 |
| Ø rozmieszczenia otworów [mm] | 108 |
| Informacja uzupełniająca | ze zintegrowanym łożyskiem koła |
| Informacja uzupełniająca | ze zintegrowanym magnet. pierścieniem nadajnika impulsów |
| Felga, liczba otworów | 4 |
| Wysokość [mm] | 69,3 |
| Powierzchnia | pokryty |
| średnica zewnętrzna [mm] | 244 |
00000| Kod towaru | C1036PCA LPR |
| Producent | LPR |
| Opis | tarcza hamulcowa |
| średnica zewnętrzna [mm] | 244 |
| Liczba otworów | 4 |
| system hamulcowy | TRW |
| Wysokość [mm] | 69,2 |
| Typ tarczy hamulcowej | pełny |
| Minimalna grubość [mm] | 7 |
| Informacja uzupełniająca | z pierścieniem nadajnika impulsów ABS |
| Artykuł uzupełniający / informacja uzupełniająca | z dodatkami |
| Średnica otworu centrującego [mm] | 30 |
| Informacja uzupełniająca | z zestawem łożyska koła |
| Moment dokręcenia [Nm] | 312 |
| Grubość tarczy hamulcowej [mm] | 9 |

00
000
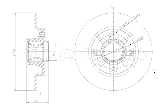
00000| Kod towaru | 23-1878 MET |
| Producent | METELLI |
| Opis | tarcza hamulcowa |
| Oznaczenie kontrolne | ECE-R90 |
| Wysokość [mm] | 69,3 |
| Typ tarczy hamulcowej | pełny |
| Grubość tarczy hamulcowej [mm] | 9,0 |
| średnica zewnętrzna [mm] | 244,0 |
| Liczba otworów | 4 |
| Średnica otworu centrującego [mm] | 64,9 |
| Informacja uzupełniająca | z pierścieniem nadajnika impulsów ABS |
| Informacja uzupełniająca | z łożyskiem koła |
0000
00000| Kod towaru | 602883BS2 OPT |
| Producent | OPTIMAL |
| Opis | tarcza hamulcowa |
| Typ tarczy hamulcowej | pełny |
| Grubość tarczy hamulcowej [mm] | 9 |
| średnica zewnętrzna [mm] | 244 |
| Wysokość [mm] | 69,3 |
| Ø rozmieszczenia otworów [mm] | 108 |
| Powierzchnia | pokryty |
| Informacja uzupełniająca | ze zintegrowanym łożyskiem koła |
| Informacja uzupełniająca | ze zintegrowanym czujnikiem ABS |
| Wymiar gwintu | M12x1.25 |
| Minimalna grubość [mm] | 8 |
| Wzór otworów/liczba otworów | 4/4 |
| Średnica wewnętrzna [mm] | 30 |
0
00000| Kod towaru | C1036PCA SAM |
| Producent | SAMKO |
| Opis | tarcza hamulcowa |
| Minimalna grubość [mm] | 7 |
| Liczba otworów | 4 |
| system hamulcowy | TRW |
| Wysokość [mm] | 69,2 |
| Grubość tarczy hamulcowej [mm] | 9 |
| średnica zewnętrzna [mm] | 244 |
| Informacja uzupełniająca | z pierścieniem nadajnika impulsów ABS |
| Artykuł uzupełniający / informacja uzupełniająca | z dodatkami |
| Średnica otworu centrującego [mm] | 30 |
| Informacja uzupełniająca | z zestawem łożyska koła |
| Moment dokręcenia [Nm] | 312 |
| Typ tarczy hamulcowej | pełny |
00
00000
00000| Oś tylna | |
| Kod towaru | 6104030 SAS |
| Producent | SASIC |
| Opis | tarcza hamulcowa |
| Strona zabudowy | Oś tylna |
| Typ tarczy hamulcowej | pełny |
| średnica zewnętrzna [mm] | 274 |
| Grubość tarczy hamulcowej [mm] | 11 |
| Wysokość [mm] | 88,1 |
| Ø rozmieszczenia otworów [mm] | 62,3 |
| Liczba otworów | 5 |
| dla numeru OE | 432025057R |
| Informacja uzupełniająca | z łożyskiem koła |
| Zamiana tylko w parach | |
0
0000
00000| Oś tylna | |
| Kod towaru | 33 10 2501 |
| Producent | SWAG |
| Opis | tarcza hamulcowa |
| Grubość tarczy hamulcowej [mm] | 9 |
| Felga, liczba otworów | 4 |
| Grubość [mm] | 69,2 |
| średnica zewnętrzna [mm] | 243,7 |
| Ø rozmieszczenia otworów [mm] | 108 |
| Rodzaj czujnika | Czujnik impulsów |
| Powierzchnia | naoliwione |
| Typ tarczy hamulcowej | pełny |
| Informacja uzupełniająca | z łożyskiem koła |
| Strona zabudowy | Oś tylna |
| Minimalna grubość [mm] | 7 |
| Średnica otworu centrującego [mm] | 56 |
| Ciężar [kg] | 5,05 |
| Informacja uzupełniająca | z pierścieniem nadajnika impulsów ABS |
