| Kod towaru |
94019800 TXT |
| Producent |
TEXTAR |
| Opis |
bęben hamulcowy |
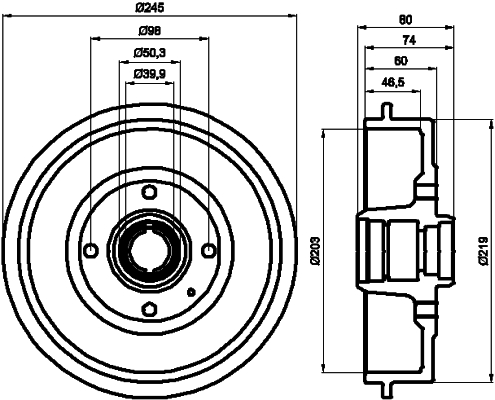
| Średnica zewnętrzna bębna hamulca [mm] |
245 |
| Całkowita wysokość bębna hamulca [mm] |
80 |
| Średnica wewnętrzna bębna hamulca [mm] |
203 |
| Wewnętrzna wysokość bębna hamulca [mm] |
47 |
| maks. wielkość poślizgu bębna [mm] |
204,5 |
| Wzór otworów/liczba otworów |
04/05 |
| Ø rozmieszczenia otworów [mm] |
98 |
| Średnica otworu centrującego [mm] |
39,8 |
| Średnica otworu szpilki koła [mm] |
12 |
| Informacja uzupełniająca |
z piastą |
| Informacja uzupełniająca |
bez łożyska koła |
| Informacja uzupełniająca |
bez sworznia mocującego koła |
| Ciężar [kg] |
6,2 |