0
00000| Kod towaru | 17886 ABS |
| Producent | A.B.S. |
| Opis | tarcza hamulcowa |
| średnica zewnętrzna [mm] | 308 |
| Grubość tarczy hamulcowej [mm] | 18 |
| Minimalna grubość [mm] | 16 |
| Wysokość [mm] | 62,3 |
| Felga, liczba otworów | 6 |
| Typ tarczy hamulcowej | wentylowany |
| Średnica otworu centrującego [mm] | 68 |
| Ø rozmieszczenia otworów [mm] | 114,3 |
| Powierzchnia | pokryty |
| średnica piasty [mm] | 201 |
00
0000
00000| Oś tylna | |
| Kod towaru | ADN143119 BLP |
| Producent | BLUE PRINT |
| Opis | tarcza hamulcowa |
| Grubość tarczy hamulcowej [mm] | 18 |
| Felga, liczba otworów | 6 |
| Grubość [mm] | 62 |
| średnica zewnętrzna [mm] | 308 |
| Ø rozmieszczenia otworów [mm] | 114 |
| Powierzchnia | pokryty |
| Typ tarczy hamulcowej | z wentylacją wewnętrzną |
| Strona zabudowy | Oś tylna |
| Minimalna grubość [mm] | 16 |
| Średnica otworu centrującego [mm] | 68 |
| Ciężar [kg] | 6,330 |
| uwzględnić informację serwisową | |
000
0000
00000| Kod towaru | BG4174 |
| Producent | DELPHI |
| Opis | tarcza hamulcowaPATHFINDER 05 |
| Typ tarczy hamulcowej | wentylowany |
| Liczba otworów | 6 |
| Oznaczenie kontrolne | E1 90R-02C0502/2172 |
| Powierzchnia | naoliwione |
| średnica zewnętrzna [mm] | 308 |
| Grubość tarczy hamulcowej [mm] | 18 |
| Minimalna grubość [mm] | 16 |
| Średnica otworu centrującego [mm] | 68 |
| Wysokość [mm] | 62,7 |
00
00000
00000| Oś tylna | |
| Kod towaru | 108440 FEB |
| Producent | FEBI BILSTEIN |
| Opis | tarcza hamulcowa43206EB300 |
| Grubość tarczy hamulcowej [mm] | 18 |
| Felga, liczba otworów | 6 |
| Grubość [mm] | 62 |
| średnica zewnętrzna [mm] | 308 |
| Ø rozmieszczenia otworów [mm] | 114,3 |
| Powierzchnia | pokryty |
| Typ tarczy hamulcowej | z wentylacją wewnętrzną |
| Strona zabudowy | Oś tylna |
| Minimalna grubość [mm] | 16 |
| Średnica otworu centrującego [mm] | 68 |
| Ciężar [kg] | 6,330 |
| uwzględnić informację serwisową | |
00000| Kod towaru | DDF1785C FER |
| Producent | FERODO |
| Opis | tarcza hamulcowa |
| Typ tarczy hamulcowej | wentylowany |
| średnica zewnętrzna [mm] | 307 |
| Grubość tarczy hamulcowej [mm] | 18 |
| Informacja uzupełniająca | bez śrub |
| Wysokość [mm] | 63 |
| Ø rozmieszczenia otworów [mm] | 114,3 |
| Średnica otworu centrującego [mm] | 68 |
| Liczba otworów | 6 |
| Jednostka ilości | Zestaw |
| Powierzchnia | pokryty |
| Ciężar [kg] | 13,38 |
| Minimalna grubość [mm] | 17 |
| Rodzaj połączenia | Pudełko |
| Długość opakowania [cm] | 32 |
| Szerokość opakowania [cm] | 32,5 |
| Wysokość opakowania [cm] | 16 |
00
000
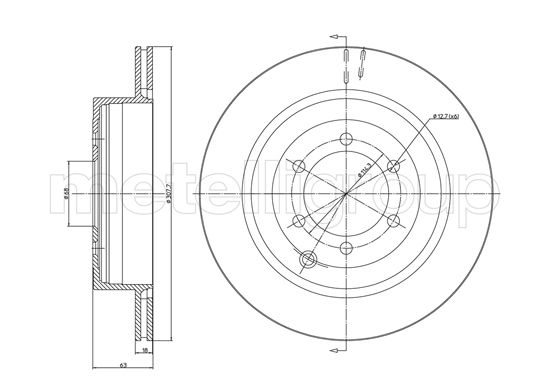
00000| Kod towaru | 23-1348C MET |
| Producent | METELLI |
| Opis | tarcza hamulcowa |
| Oznaczenie kontrolne | ECE-R90 |
| Wysokość [mm] | 62,8 |
| Typ tarczy hamulcowej | wentylowany |
| Grubość tarczy hamulcowej [mm] | 18,0 |
| średnica zewnętrzna [mm] | 307,6 |
| Liczba otworów | 6 |
| Średnica otworu centrującego [mm] | 68,0 |
| Powierzchnia | lakierowany |
0
0000
00000| Oś tylna | |
| Kod towaru | 33 10 6922 |
| Producent | SWAG |
| Opis | tarcza hamulcowa |
| Grubość tarczy hamulcowej [mm] | 18 |
| Felga, liczba otworów | 6 |
| Grubość [mm] | 62 |
| średnica zewnętrzna [mm] | 308 |
| Ø rozmieszczenia otworów [mm] | 114,3 |
| Powierzchnia | pokryty |
| Typ tarczy hamulcowej | z wentylacją wewnętrzną |
| Strona zabudowy | Oś tylna |
| Minimalna grubość [mm] | 16 |
| Średnica otworu centrującego [mm] | 68 |
| Ciężar [kg] | 6,330 |
00
00000
00000| Kod towaru | DF6289 |
| Producent | TRW |
| Opis | tarcza hamulcowa |
| Typ tarczy hamulcowej | wentylowany |
| Liczba otworów | 6 |
| średnica zewnętrzna [mm] | 308 |
| Średnica otworu centrującego [mm] | 68 |
| Wysokość [mm] | 60,4 |
| Grubość tarczy hamulcowej [mm] | 18 |
| Minimalna grubość [mm] | 16 |
| Ø rozmieszczenia otworów [mm] | 114,3 |
| Kolor | czarny |
| Powierzchnia | lakierowany |
| Oznaczenie kontrolne | E1 90R-02 C0226/0643 |
00000| Kod towaru | VKBD 90426 V2 |
| Producent | SKF |
| Opis | tarcza hamulcowa |
| Typ tarczy hamulcowej | z wentylacją wewnętrzną |
| średnica zewnętrzna [mm] | 308 |
| Grubość tarczy hamulcowej [mm] | 18 |
| Wysokość [mm] | 62,3 |
| Ø rozmieszczenia otworów [mm] | 114,3 |
| Średnica otworu centrującego [mm] | 68,1 |
| Liczba otworów | 6 |
| Powierzchnia | pokryty |
| Minimalna grubość [mm] | 16 |
| Liczba otworów | 1 |
