0
00000| Kod towaru | 18017 ABS |
| Producent | A.B.S. |
| Opis | tarcza hamulcowa |
| średnica zewnętrzna [mm] | 288 |
| Grubość tarczy hamulcowej [mm] | 28 |
| Minimalna grubość [mm] | 26 |
| Wysokość [mm] | 70,2 |
| Felga, liczba otworów | 6 |
| Typ tarczy hamulcowej | wentylowany |
| Średnica otworu centrującego [mm] | 98 |
| Ø rozmieszczenia otworów [mm] | 140 |
| Powierzchnia | pokryty |
| średnica piasty [mm] | 186 |

00
000
00000| Kod towaru | 60-03-323 ASH |
| Producent | ASHIKA |
| Opis |
00
00000
00000| Kod towaru | 24.0128-0226.1 |
| Producent | ATE |
| Opis | tarcza hamulcowa |
| średnica zewnętrzna [mm] | 289,0 |
| Grubość tarczy hamulcowej [mm] | 28,0 |
| Minimalna grubość [mm] | 26,0 |
| Typ tarczy hamulcowej | wentylowany |
| Przetwarzanie | stopowy / wysoko nawęglany |
| Powierzchnia | pokryty |
| Liczba otworów | 6 |
| Dostępne MAPP-Code | |
| Ø rozmieszczenia otworów [mm] | 140,0 |
| Wysokość [mm] | 70,2 |
| Średnica otworu centrującego [mm] | 98,0 |
| Średnica wewnętrzna [mm] | 164,0 |
| Średnica otworu [mm] | 13,0 |
| Oznaczenie kontrolne | E1 90R-02C0115/0136 |
00
0000
00000| Oś przednia | |
| Kod towaru | ADM54377 BLP |
| Producent | BLUE PRINT |
| Opis | tarcza hamulcowa |
| Grubość tarczy hamulcowej [mm] | 28 |
| Felga, liczba otworów | 6 |
| Grubość [mm] | 70 |
| średnica zewnętrzna [mm] | 289 |
| Ø rozmieszczenia otworów [mm] | 140 |
| Powierzchnia | pokryty |
| Typ tarczy hamulcowej | z wentylacją wewnętrzną |
| Strona zabudowy | Oś przednia |
| Minimalna grubość [mm] | 26 |
| Średnica otworu centrującego [mm] | 98 |
| uwzględnić informację serwisową | |
0
00000| Kod towaru | F1027V SAM |
| Producent | SAMKO |
| Opis | tarcza hamulcowaWENTYLOWANA PRZÓD |
| Średnica otworu centrującego [mm] | 98 |
| Wysokość [mm] | 70 |
| Typ tarczy hamulcowej | z wentylacją wewnętrzną |
| Grubość tarczy hamulcowej [mm] | 28 |
| Minimalna grubość [mm] | 26 |
| średnica zewnętrzna [mm] | 289 |
| Liczba otworów | 6 |
00
00000
00000| Kod towaru | DF6034S |
| Producent | TRW |
| Opis | tarcza hamulcowa |
| Powierzchnia | lakierowany |
| Typ tarczy hamulcowej | wentylowany |
| Grubość tarczy hamulcowej [mm] | 28 |
| Minimalna grubość [mm] | 26 |
| Liczba otworów | 6 |
| Wysokość [mm] | 70,3 |
| Średnica otworu centrującego [mm] | 98 |
| Ø rozmieszczenia otworów [mm] | 139,7 |
| Wymiar gwintu | 13,1 |
| średnica zewnętrzna [mm] | 289 |
| Kolor | czarny |
| Oznaczenie kontrolne | E1 90R-02 C0176/0491 |
00
000
00000| Oś przednia | |
| Kod towaru | 60-03-323C ASH |
| Producent | ASHIKA |
| Opis | tarcza hamulcowa |
| Strona zabudowy | Oś przednia |
| Ø rozmieszczenia otworów [mm] | 98 |
| Wysokość [mm] | 71 |
| średnica zewnętrzna [mm] | 289 |
| Grubość tarczy hamulcowej [mm] | 28 |
| Minimalna grubość [mm] | 26 |
| Liczba otworów | 6 |
| Typ tarczy hamulcowej | wentylowany |
| Powierzchnia | lakierowany |
| dla numeru OE | 2M341027AA |
000
000
00000| Kod towaru | 09.B622.10 |
| Producent | BREMBO |
| Opis | tarcza hamulcowa |
| Typ tarczy hamulcowej | z wentylacją wewnętrzną |
| Grubość tarczy hamulcowej [mm] | 28 |
| Liczba otworów | 6 |
| Wysokość [mm] | 70 |
| Średnica otworu centrującego [mm] | 98 |
| średnica zewnętrzna [mm] | 289 |
| Minimalna grubość [mm] | 26 |
000
0000
00000| Kod towaru | BG4297 |
| Producent | DELPHI |
| Opis | tarcza hamulcowaMAZDA B2500, BT-50 |
| Typ tarczy hamulcowej | wentylowany |
| Liczba otworów | 6 |
| Oznaczenie kontrolne | E1 90R-02C0277/2271 |
| Powierzchnia | naoliwione |
| średnica zewnętrzna [mm] | 289 |
| Grubość tarczy hamulcowej [mm] | 28 |
| Minimalna grubość [mm] | 26 |
| Średnica otworu centrującego [mm] | 98 |
| Wysokość [mm] | 70,3 |
00
00000
00000| Oś przednia | |
| Kod towaru | 44104 FEB |
| Producent | FEBI BILSTEIN |
| Opis | tarcza hamulcowa |
| Grubość tarczy hamulcowej [mm] | 28 |
| Felga, liczba otworów | 6 |
| Grubość [mm] | 70 |
| średnica zewnętrzna [mm] | 289 |
| Ø rozmieszczenia otworów [mm] | 140 |
| Powierzchnia | pokryty |
| Typ tarczy hamulcowej | z wentylacją wewnętrzną |
| Strona zabudowy | Oś przednia |
| Minimalna grubość [mm] | 26 |
| Średnica otworu centrującego [mm] | 98 |
| uwzględnić informację serwisową | |
00000| Kod towaru | DDF2459C FER |
| Producent | FERODO |
| Opis | tarcza hamulcowa |
| Typ tarczy hamulcowej | wentylowany |
| średnica zewnętrzna [mm] | 289 |
| Grubość tarczy hamulcowej [mm] | 28 |
| Informacja uzupełniająca | bez śrub |
| Wysokość [mm] | 70 |
| Ø rozmieszczenia otworów [mm] | 140 |
| Średnica otworu centrującego [mm] | 98 |
| Liczba otworów do mocowania | 1 |
| Liczba otworów | 6 |
| Jednostka ilości | Zestaw |
| Powierzchnia | pokryty |
| Minimalna grubość [mm] | 26 |
| Rodzaj połączenia | Pudełko |
| Długość opakowania [cm] | 29,5 |
| Szerokość opakowania [cm] | 29,5 |
| Wysokość opakowania [cm] | 16 |
00
000
00000| Kod towaru | 8DD 355 129-181 |
| Producent | HELLA |
| Opis | tarcza hamulcowa |
| Typ tarczy hamulcowej | z wentylacją wewnętrzną |
| średnica zewnętrzna [mm] | 289 |
| Grubość tarczy hamulcowej [mm] | 28 |
| Wysokość [mm] | 70,2 |
| Minimalna grubość [mm] | 26 |
| Przetwarzanie | wysoko nawęglany |
| Powierzchnia | pokryty |
| Średnica wewnętrzna [mm] | 164 |
| Ø rozmieszczenia otworów [mm] | 139,7 |
| Średnica otworu centrującego [mm] | 98 |
| Wzór otworów/liczba otworów | 06/07 |
| Średnica otworu szpilki koła [mm] | 13,2 |
| Informacja uzupełniająca | bez piasty koła |
| Informacja uzupełniająca | bez łożyska koła |
| Informacja uzupełniająca | bez sworznia mocującego koła |
| Ciężar [kg] | 8,6 |
| Montaż/demontaż koniecznie do wykonania przez fachowców! |
00
00000| Kod towaru | BR-4770-C KAV |
| Producent | KAVO PARTS |
| Opis | tarcza hamulcowa |
| Wysokość [mm] | 70,3 |
| Typ tarczy hamulcowej | wentylowany |
| Grubość tarczy hamulcowej [mm] | 28 |
| Minimalna grubość [mm] | 26 |
| średnica zewnętrzna [mm] | 289 |
| Liczba otworów | 6 |
| Średnica otworu centrującego [mm] | 98 |
| Ø rozmieszczenia otworów [mm] | 139,7 |
| Powierzchnia | pokryty |
00000| Kod towaru | F1027V LPR |
| Producent | LPR |
| Opis | tarcza hamulcowa |
| Średnica otworu centrującego [mm] | 98 |
| Wysokość [mm] | 70 |
| Typ tarczy hamulcowej | z wentylacją wewnętrzną |
| Grubość tarczy hamulcowej [mm] | 28 |
| Minimalna grubość [mm] | 26 |
| średnica zewnętrzna [mm] | 289 |
| Liczba otworów | 6 |
00
000
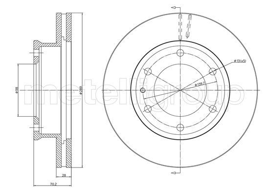
00000| Kod towaru | 23-1214 MET |
| Producent | METELLI |
| Opis | tarcza hamulcowa |
| Oznaczenie kontrolne | ECE-R90 |
| Wysokość [mm] | 70,3 |
| Typ tarczy hamulcowej | wentylowany |
| Grubość tarczy hamulcowej [mm] | 28,0 |
| średnica zewnętrzna [mm] | 288,7 |
| Liczba otworów | 6 |
| Średnica otworu centrującego [mm] | 98,0 |
00000| Kod towaru | VKBD 80538 V1 |
| Producent | SKF |
| Opis | tarcza hamulcowa |
| Typ tarczy hamulcowej | z wentylacją wewnętrzną |
| średnica zewnętrzna [mm] | 289 |
| Grubość tarczy hamulcowej [mm] | 28 |
| Wysokość [mm] | 70,2 |
| Ø rozmieszczenia otworów [mm] | 140 |
| Średnica otworu centrującego [mm] | 98 |
| Liczba otworów | 6 |
| Powierzchnia | pokryty |
| Minimalna grubość [mm] | 26 |
| Liczba otworów | 1 |
00
0000
00000| Oś przednia | |
| Kod towaru | 50 94 4104 |
| Producent | SWAG |
| Opis | tarcza hamulcowa |
| Grubość tarczy hamulcowej [mm] | 28 |
| Felga, liczba otworów | 6 |
| Grubość [mm] | 70,2 |
| średnica zewnętrzna [mm] | 289 |
| Ø rozmieszczenia otworów [mm] | 139,7 |
| Powierzchnia | pokryty |
| Typ tarczy hamulcowej | z wentylacją wewnętrzną |
| Strona zabudowy | Oś przednia |
| Minimalna grubość [mm] | 26 |
| Średnica otworu centrującego [mm] | 98 |
0
0000
00000| Kod towaru | 92223000 TXT |
| Producent | TEXTAR |
| Opis | tarcza hamulcowa |
| Typ tarczy hamulcowej | z wentylacją wewnętrzną |
| średnica zewnętrzna [mm] | 288 |
| Grubość tarczy hamulcowej [mm] | 28 |
| Wysokość [mm] | 70,2 |
| Minimalna grubość [mm] | 26 |
| Średnica wewnętrzna [mm] | 164 |
| Ø rozmieszczenia otworów [mm] | 139,7 |
| Średnica otworu centrującego [mm] | 98 |
| Wzór otworów/liczba otworów | 06/07 |
| Średnica otworu szpilki koła [mm] | 13,2 |
| Informacja uzupełniająca | bez piasty koła |
| Informacja uzupełniająca | bez łożyska koła |
| Informacja uzupełniająca | bez sworznia mocującego koła |
| Długość opakowania [cm] | 30,8 |
| Szerokość opakowania [cm] | 30,8 |
| Wysokość opakowania [cm] | 16 |
| Ciężar [kg] | 8,6 |
