
0
000
00000| Kod towaru | 53-80010 VAI |
| Producent | VAICO |
| Opis |
0
00000| Kod towaru | 17642 ABS |
| Producent | A.B.S. |
| Opis | tarcza hamulcowa |
| średnica zewnętrzna [mm] | 275 |
| Grubość tarczy hamulcowej [mm] | 26,2 |
| Minimalna grubość [mm] | 24 |
| Wysokość [mm] | 47,5 |
| Felga, liczba otworów | 4 |
| Typ tarczy hamulcowej | wentylowany |
| Średnica otworu centrującego [mm] | 69 |
| Ø rozmieszczenia otworów [mm] | 114,3 |
| Powierzchnia | pokryty |
| średnica piasty [mm] | 152 |
00
00000
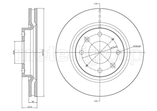
00000| Kod towaru | 24.0126-0155.1 |
| Producent | ATE |
| Opis | tarcza hamulcowa |
| średnica zewnętrzna [mm] | 275,0 |
| Grubość tarczy hamulcowej [mm] | 26,0 |
| Minimalna grubość [mm] | 24,0 |
| Typ tarczy hamulcowej | wentylowany |
| Powierzchnia | pokryty |
| Liczba otworów | 4 |
| Informacja uzupełniająca | ze śrubami |
| Dostępne MAPP-Code | |
| Ø rozmieszczenia otworów [mm] | 114,3 |
| Wysokość [mm] | 47,3 |
| Średnica otworu centrującego [mm] | 69,0 |
| Średnica wewnętrzna [mm] | 141,6 |
| Średnica otworu [mm] | 13,0 |
| Oznaczenie kontrolne | E1 90R-02C0115/0350 |
00
0000
00000| Oś przednia | |
| Kod towaru | ADG04385 BLP |
| Producent | BLUE PRINT |
| Opis | tarcza hamulcowa |
| Grubość tarczy hamulcowej [mm] | 26 |
| Felga, liczba otworów | 4 |
| Liczba otworów do mocowania | 4 |
| Grubość [mm] | 47 |
| średnica zewnętrzna [mm] | 275 |
| Ø rozmieszczenia otworów [mm] | 114 |
| Powierzchnia | pokryty |
| Typ tarczy hamulcowej | z wentylacją wewnętrzną |
| Strona zabudowy | Oś przednia |
| Minimalna grubość [mm] | 24 |
| Średnica otworu centrującego [mm] | 68,5 |
| Ciężar [kg] | 6,440 |
| uwzględnić informację serwisową | |
000
00000
00000| Kod towaru | 0986479369 |
| Producent | BOSCH |
| Opis | tarcza hamulcowa |
| średnica zewnętrzna [mm] | 275 |
| Grubość tarczy hamulcowej [mm] | 26 |
| Minimalna grubość [mm] | 24 |
| Wysokość [mm] | 47,3 |
| Ø rozmieszczenia otworów [mm] | 114,3 |
| Typ tarczy hamulcowej | wentylowany |
| Średnica otworu centrującego [mm] | 69 |
| Liczba otworów | 4 |
| Powierzchnia | naoliwione |
| Informacja uzupełniająca | ze śrubami |
| spełnia wymagania Normy ECE | ECE-R90 |
| Średnica otworu do [mm] | 13 |
000
000
00000| Kod towaru | 09.9997.10 |
| Producent | BREMBO |
| Opis | tarcza hamulcowa |
| Typ tarczy hamulcowej | z wentylacją wewnętrzną |
| Grubość tarczy hamulcowej [mm] | 26 |
| Liczba otworów | 4 |
| Informacja uzupełniająca | ze śrubami |
| Wysokość [mm] | 47 |
| Średnica otworu centrującego [mm] | 69 |
| średnica zewnętrzna [mm] | 275 |
| Minimalna grubość [mm] | 24 |
| Moment dokręcenia [Nm] | 98 |
0
0
00000| Kod towaru | 800-1078C CIF |
| Producent | CIFAM |
| Opis | tarcza hamulcowa |
| Oznaczenie kontrolne | ECE-R90 |
| Wysokość [mm] | 45,5 |
| Typ tarczy hamulcowej | wentylowany |
| Grubość tarczy hamulcowej [mm] | 26,0 |
| średnica zewnętrzna [mm] | 275,1 |
| Liczba otworów | 4 |
| Średnica otworu centrującego [mm] | 69,0 |
| Powierzchnia | lakierowany |
00
000
00000| Oś przednia | |
| Kod towaru | 103262 |
| Producent | KAMOKA |
| Opis | tarcza hamulcowa |
| Strona zabudowy | Oś przednia |
| Typ tarczy hamulcowej | wentylowany |
| Grubość tarczy hamulcowej [mm] | 26 |
| Ø rozmieszczenia otworów [mm] | 114 |
| Liczba otworów | 4 |
| Wysokość [mm] | 47 |
| Średnica otworu centrującego [mm] | 69 |
| Powierzchnia | pokryty |
| średnica zewnętrzna [mm] | 275 |
000
00000| Oś przednia | |
| Kod towaru | 28-155210006 MEY |
| Producent | MEYLE |
| Opis | tarcza hamulcowaTARCZA HAM. KIA P. CERATO 04- 275*26 |
| Strona zabudowy | Oś przednia |
| średnica zewnętrzna [mm] | 275 |
| Wysokość [mm] | 47,3 |
| Grubość tarczy hamulcowej [mm] | 26 |
| Minimalna grubość [mm] | 24 |
| Średnica otworu centrującego [mm] | 69 |
| Ø rozmieszczenia otworów [mm] | 114,3 |
| Średnica otworu szpilki koła [mm] | 13 |
| Liczba otworów | 4 |
| Typ tarczy hamulcowej | wentylowany |
| wymagana liczba | 2 |
00
00000
00000| Oś przednia | |
| Kod towaru | 170699 FEB |
| Producent | FEBI BILSTEIN |
| Opis | tarcza hamulcowa |
| Grubość tarczy hamulcowej [mm] | 26 |
| Felga, liczba otworów | 4 |
| Liczba otworów do mocowania | 4 |
| Grubość [mm] | 47,3 |
| średnica zewnętrzna [mm] | 275 |
| Ø rozmieszczenia otworów [mm] | 114,3 |
| Powierzchnia | pokryty |
| Typ tarczy hamulcowej | z wentylacją wewnętrzną |
| Strona zabudowy | Oś przednia |
| Minimalna grubość [mm] | 24 |
| Średnica otworu centrującego [mm] | 68,5 |
| Ciężar [kg] | 6,440 |
| uwzględnić informację serwisową | |
00
000
00000| Kod towaru | 8DD 355 111-781 |
| Producent | HELLA |
| Opis | tarcza hamulcowa |
| Typ tarczy hamulcowej | z wentylacją wewnętrzną |
| średnica zewnętrzna [mm] | 275 |
| Grubość tarczy hamulcowej [mm] | 26 |
| Wysokość [mm] | 47,3 |
| Minimalna grubość [mm] | 24 |
| Średnica wewnętrzna [mm] | 141,6 |
| Ø rozmieszczenia otworów [mm] | 114,3 |
| Średnica otworu centrującego [mm] | 69 |
| Wzór otworów/liczba otworów | 04/08 |
| Średnica otworu szpilki koła [mm] | 13 |
| Informacja uzupełniająca | bez piasty koła |
| Informacja uzupełniająca | bez łożyska koła |
| Informacja uzupełniająca | bez sworznia mocującego koła |
| Ciężar [kg] | 6,4 |
| Montaż/demontaż koniecznie do wykonania przez fachowców! |
0000
00000| Oś przednia | |
| Kod towaru | BS-8144 OPT |
| Producent | OPTIMAL |
| Opis | tarcza hamulcowa |
| Strona zabudowy | Oś przednia |
| Typ tarczy hamulcowej | z wentylacją wewnętrzną |
| Grubość tarczy hamulcowej [mm] | 26 |
| średnica zewnętrzna [mm] | 275 |
| Wysokość [mm] | 47,3 |
| Średnica otworu centrującego [mm] | 69 |
| Minimalna grubość [mm] | 24 |
| Wzór otworów/liczba otworów | 4/8 |
0000
00000| Oś przednia | |
| Kod towaru | BS-8144C OPT |
| Producent | OPTIMAL |
| Opis | tarcza hamulcowa |
| Strona zabudowy | Oś przednia |
| Typ tarczy hamulcowej | z wentylacją wewnętrzną |
| Grubość tarczy hamulcowej [mm] | 26 |
| średnica zewnętrzna [mm] | 275 |
| Wysokość [mm] | 47,3 |
| Średnica otworu centrującego [mm] | 69 |
| Powierzchnia | pokryty |
| Informacja uzupełniająca | ze śrubami |
| Minimalna grubość [mm] | 24 |
| Wzór otworów/liczba otworów | 4/8 |
0
00000| Kod towaru | 30H0318-OYO |
| Producent | OYODO |
| Opis | tarcza hamulcowa |
| Typ tarczy hamulcowej | wentylowany |
| Wysokość [mm] | 47,3 |
| Grubość tarczy hamulcowej [mm] | 26 |
| średnica zewnętrzna [mm] | 275 |
| Liczba otworów | 4 |
| Średnica otworu centrującego [mm] | 69 |
| Ø rozmieszczenia otworów [mm] | 114,3 |
0
0000
00000| Kod towaru | 92136700 TXT |
| Producent | TEXTAR |
| Opis | tarcza hamulcowa |
| Typ tarczy hamulcowej | z wentylacją wewnętrzną |
| średnica zewnętrzna [mm] | 275 |
| Grubość tarczy hamulcowej [mm] | 26 |
| Wysokość [mm] | 47,3 |
| Minimalna grubość [mm] | 24 |
| Średnica wewnętrzna [mm] | 141,6 |
| Ø rozmieszczenia otworów [mm] | 114,3 |
| Średnica otworu centrującego [mm] | 69 |
| Wzór otworów/liczba otworów | 04/08 |
| Średnica otworu szpilki koła [mm] | 13 |
| Informacja uzupełniająca | bez piasty koła |
| Informacja uzupełniająca | bez łożyska koła |
| Informacja uzupełniająca | bez sworznia mocującego koła |
| Długość opakowania [cm] | 30,8 |
| Szerokość opakowania [cm] | 30,8 |
| Wysokość opakowania [cm] | 12,7 |
| Ciężar [kg] | 6,4 |
00
00000
00000| Kod towaru | DF6229 |
| Producent | TRW |
| Opis | tarcza hamulcowa |
| Typ tarczy hamulcowej | wentylowany |
| Liczba otworów | 4 |
| średnica zewnętrzna [mm] | 275 |
| Średnica otworu centrującego [mm] | 69 |
| Wysokość [mm] | 47,3 |
| Grubość tarczy hamulcowej [mm] | 26 |
| Minimalna grubość [mm] | 24 |
| Ø rozmieszczenia otworów [mm] | 114,3 |
| Kolor | czarny |
| Powierzchnia | lakierowany |
| Oznaczenie kontrolne | E1 90R-02 C0176/0055 |
