
0
000
00000| Kod towaru | 54-80003 VAI |
| Producent | VAICO |
| Opis |
0
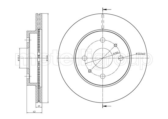
00000| Kod towaru | 17794 ABS |
| Producent | A.B.S. |
| Opis | tarcza hamulcowa |
| średnica zewnętrzna [mm] | 246 |
| Grubość tarczy hamulcowej [mm] | 17 |
| Minimalna grubość [mm] | 16 |
| Wysokość [mm] | 42 |
| Felga, liczba otworów | 4 |
| Typ tarczy hamulcowej | wentylowany |
| Średnica otworu centrującego [mm] | 55 |
| Ø rozmieszczenia otworów [mm] | 100 |
| Powierzchnia | pokryty |
| średnica piasty [mm] | 150 |
00
00000
00000| Kod towaru | 24.0117-0107.1 |
| Producent | ATE |
| Opis | tarcza hamulcowa |
| średnica zewnętrzna [mm] | 246,0 |
| Grubość tarczy hamulcowej [mm] | 17,0 |
| Minimalna grubość [mm] | 16,0 |
| Typ tarczy hamulcowej | wentylowany |
| Liczba otworów | 4 |
| Powierzchnia | pokryty |
| Ø rozmieszczenia otworów [mm] | 100,0 |
| Wysokość [mm] | 41,9 |
| Średnica otworu centrującego [mm] | 55,1 |
| Średnica wewnętrzna [mm] | 137,0 |
| Średnica otworu [mm] | 13,2 |
| Dostępne MAPP-Code |
00
0000
00000| Oś przednia | |
| Kod towaru | ADD64326 BLP |
| Producent | BLUE PRINT |
| Opis | tarcza hamulcowa |
| Grubość tarczy hamulcowej [mm] | 17 |
| Felga, liczba otworów | 4 |
| Grubość [mm] | 42 |
| średnica zewnętrzna [mm] | 246 |
| Ø rozmieszczenia otworów [mm] | 100 |
| Powierzchnia | pokryty |
| Typ tarczy hamulcowej | z wentylacją wewnętrzną |
| Strona zabudowy | Oś przednia |
| Minimalna grubość [mm] | 16 |
| Średnica otworu centrującego [mm] | 55 |
| uwzględnić informację serwisową | |
000
000
00000| Kod towaru | 09.B523.10 |
| Producent | BREMBO |
| Opis | tarcza hamulcowa |
| Typ tarczy hamulcowej | z wentylacją wewnętrzną |
| Grubość tarczy hamulcowej [mm] | 17 |
| Liczba otworów | 4 |
| Wysokość [mm] | 42 |
| Średnica otworu centrującego [mm] | 55 |
| średnica zewnętrzna [mm] | 246 |
| Minimalna grubość [mm] | 16 |
0
0
00000| Kod towaru | 800-923C CIF |
| Producent | CIFAM |
| Opis | tarcza hamulcowa |
| Oznaczenie kontrolne | ECE-R90 |
| Wysokość [mm] | 42,0 |
| Typ tarczy hamulcowej | wentylowany |
| Grubość tarczy hamulcowej [mm] | 17,0 |
| średnica zewnętrzna [mm] | 246,0 |
| Liczba otworów | 4 |
| Średnica otworu centrującego [mm] | 55,0 |
| Powierzchnia | lakierowany |
00
00000| Oś przednia | |
| Kod towaru | 39-155210000 MEY |
| Producent | MEYLE |
| Opis | tarcza hamulcowaTARCZA HAM. DAIHATSU P. COPEN 03- 246*17 |
| Strona zabudowy | Oś przednia |
| średnica zewnętrzna [mm] | 246 |
| Wysokość [mm] | 41,9 |
| Grubość tarczy hamulcowej [mm] | 17 |
| Minimalna grubość [mm] | 16 |
| Średnica otworu centrującego [mm] | 55 |
| Ø rozmieszczenia otworów [mm] | 100 |
| Średnica otworu szpilki koła [mm] | 13,2 |
| Liczba otworów | 4 |
| Typ tarczy hamulcowej | wentylowany |
| wymagana liczba | 2 |
00
00000
00000| Oś przednia | |
| Kod towaru | 30637 FEB |
| Producent | FEBI BILSTEIN |
| Opis | tarcza hamulcowa |
| Grubość tarczy hamulcowej [mm] | 17 |
| Felga, liczba otworów | 4 |
| Grubość [mm] | 42 |
| średnica zewnętrzna [mm] | 246 |
| Ø rozmieszczenia otworów [mm] | 100 |
| Powierzchnia | pokryty |
| Typ tarczy hamulcowej | z wentylacją wewnętrzną |
| Strona zabudowy | Oś przednia |
| Minimalna grubość [mm] | 16 |
| Średnica otworu centrującego [mm] | 55 |
| uwzględnić informację serwisową | |
00
0000
00000| Oś przednia | |
| Kod towaru | 88 93 0637 |
| Producent | SWAG |
| Opis | tarcza hamulcowa |
| Grubość tarczy hamulcowej [mm] | 17 |
| Felga, liczba otworów | 4 |
| Grubość [mm] | 41,9 |
| średnica zewnętrzna [mm] | 246 |
| Ø rozmieszczenia otworów [mm] | 100 |
| Powierzchnia | pokryty |
| Typ tarczy hamulcowej | z wentylacją wewnętrzną |
| Strona zabudowy | Oś przednia |
| Minimalna grubość [mm] | 16 |
| Średnica otworu centrującego [mm] | 55 |
00
00000
00000| Kod towaru | DF4905 |
| Producent | TRW |
| Opis | tarcza hamulcowa |
| Powierzchnia | lakierowany |
| Typ tarczy hamulcowej | wentylowany |
| średnica zewnętrzna [mm] | 246 |
| Grubość tarczy hamulcowej [mm] | 17 |
| Minimalna grubość [mm] | 16 |
| Liczba otworów | 4 |
| Wysokość [mm] | 41,9 |
| Średnica otworu centrującego [mm] | 55 |
| Ø rozmieszczenia otworów [mm] | 100 |
| Wymiar gwintu | 13,2 |
| Kolor | czarny |
| Oznaczenie kontrolne | E1 90R-02 C0176/0732 |
